暖通空调常用图例,史上最全总结

暖通 发表于 2024-10-18 11:48
水、汽管道可用线型区分,也可用代号区分。

一、水、汽管道


(一)水、汽管道代号
水、汽管道可用线型区分,也可用代号区分。

水、汽管道代号
图片
图片
图片
图片

(二)水、汽管道阀门和附件图例

水、汽管道阀门和附件图例
图片
图片
图片
图片
图片

二、风道
(一)风道代号

风道代号
图片

(二)风道、阀门及附件图例

风道、阀门及附件图例
图片
图片
图片图片
图片
图片

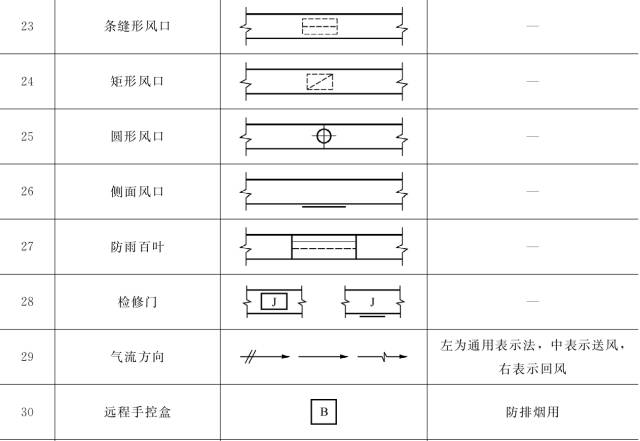
风口和附件代号
图片图片

三、暖通空调设备

暖通空调设备图例
图片
图片
图片
图片

四、调控装置及仪表

调控装置及仪表图例
图片
图片
图片
图片



非特殊说明,本文版权归原作者所有,转载请注明出处

参与评论

游客

评论列表

加载中...